Electric wafer butterfly valve
 |
 |
| Electric wafer butterfly valve |
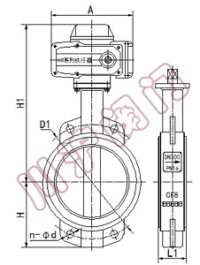
Electric wafer butterfly valve structure |
1.Electric wafer butterfly valve Product Overview
Electric wafer butterfly valve is composed of high precision electric actuator and wafer type butterfly valve, actuator with integrated structure, switch input voltage AC220V, output passive contact signal (or switch position signal), adjustable input (DC4-20mA or DC1-5V) control signal and single-phase power can control the operation, electric butterfly valve has strong function, small volume, light and pleasant, reliable performance, simple matching, large flow capacity, particularly suitable for medium thick, containing particles, fiber nature of the occasion. Electric butterfly valve can be widely applied to the process of food industry, environmental protection, light industry, petroleum, chemical industry, papermaking, teaching equipment, electric power and other industries in the automatic control system.
2.Electric wafer butterfly valve Main technical parameters
| DN(mm) |
50~1200 |
| PN |
PN0.6、1.6、2.5MPa |
| Connection form |
Wafer |
| Valve plate form |
Vertical plate |
| Flow characteristics |
Quick approximation type |
| Range of motion |
0~90° |
| Amount of leakage |
By GB/T4213-92, 10-4, soft seal for the Kv values: zero leakage |
| Basic error |
±2.5% |
| Backlash |
±2.5% |
| Dead zone |
1% (Adjustable) |
| Adjustable range |
50:1 |
3.Electric thin ball valve Performance of electric actuator
| Actuator type |
CH series actuators |
HQ series actuators |
| Power supply voltage |
220V standard AC single-phase optional: 110V AC, 380/440V AC, 24V/110V/220V single-phase three-phase AC |
| Output torque |
50N·M~2000N·M |
50N·M~3000N·M |
| Range of motion |
0~90° 0~360° |
0~90°、0°~270° |
| Control mode |
The switch position lamp (two control switches), passive contact signal, 1/5K, intelligent adjustment potentiometer (4 ~ 20mA analog signal control) |
| Movement time |
15s/30s/60s |
18S~112S |
| Protector |
Overheating protection |
Built in overheating protection, overload protection |
| Environmental temperature |
-30°~60° |
-20℃~+70℃ |
| Manual operation |
handle |
The mechanical clutch mechanism, with hand wheel operation |
| Mechanical limit |
Electrical, mechanical double limit |
2 external adjustment bolt |
| Protection grade |
IP65 |
IP65、IP67、IP68 |
| Explosion-proof grade |
No explosion |
ExdⅡ BT4,ExdⅡ CT6 |
| Position measurement |
Optional switch or a potentiometer |
Potentiometer, proportional control unit |
| Drive motor |
8W/E |
The squirrel cage asynchronous motor |
| Line interface |
PE1/2 "into the wire lock |
2個(gè) PF 3/4" |
| Shell material |
Aluminium alloy |
Aluminum bronze, steel, aluminum alloy, polycarbonate |
| Outer coating |
Dry powder, epoxy polyester, strong anti-corrosion function |
| Using electric brake lines and unique, high positioning accuracy, sensitive actuating mechanism, start and stop quickly, stable running. Also has the characteristics of anti-jamming, anti surge voltage, anti breakdown ability |
4.Electric thin ball valve Valve performance specification
| DN(mm) |
DN15-150 |
| PN |
PN(MPa) |
1.6 |
2.5 |
4.0 |
6.4 |
| Test pressure |
Strength test |
15.0 |
24.0 |
37.5 |
48.0 |
| Seal test |
11.0 |
17.6 |
27.5 |
35.2 |
| Low pressure air test |
0.5~0.7 |
| Applicable medium |
Water, oil, steam, acid class (temperature ≤ 200 ℃), acetic acid (temperature ≤ 200 ℃) |
5.Electric wafer butterfly valve Dimension
| DN |
main dimension |
flange dimension |
| D973H/F |
D971F/X |
H1 |
1.0MPa |
1.6MPa |
2.5MPa |
| L1 |
H |
L2 |
H |
K |
n-Фd |
K |
n-Фd |
K |
n-Фd |
| 50 |
43 |
112 |
43 |
63 |
530 |
125 |
4-18 |
125 |
4-18 |
125 |
4-18 |
| 65 |
46 |
115 |
46 |
70 |
530 |
145 |
4-18 |
145 |
4-18 |
145 |
8-18 |
| 80 |
46 |
120 |
46 |
83 |
565 |
160 |
4-18 |
160 |
8-18 |
160 |
8-18 |
| 100 |
52 |
138 |
52 |
105 |
600 |
180 |
8-18 |
180 |
8-18 |
190 |
8-22 |
| 125 |
56 |
164 |
56 |
115 |
640 |
210 |
8-18 |
210 |
8-18 |
220 |
8-26 |
| 150 |
56 |
175 |
56 |
137 |
705 |
240 |
8-22 |
240 |
8-22 |
250 |
8-26 |
| 200 |
60 |
200 |
60 |
164 |
775 |
295 |
8-22 |
295 |
12-22 |
310 |
12-26 |
| 250 |
68 |
243 |
68 |
206 |
945 |
350 |
12-22 |
355 |
12-26 |
370 |
12-30 |
| 300 |
78 |
250 |
78 |
230 |
1070 |
400 |
12-22 |
410 |
12-26 |
430 |
16-30 |
| 350 |
78 |
280 |
78 |
248 |
1140 |
460 |
16-22 |
470 |
12-26 |
490 |
16-33 |
| 400 |
102 |
305 |
102 |
289 |
1210 |
515 |
16-26 |
525 |
16-26 |
550 |
16-36 |
| 450 |
114 |
350 |
114 |
320 |
1335 |
565 |
20-26 |
585 |
16-30 |
600 |
20-36 |
| 500 |
127 |
380 |
127 |
343 |
1415 |
620 |
20-26 |
650 |
20-30 |
660 |
20-36 |
| 600 |
154 |
445 |
154 |
413 |
1605 |
725 |
20-30 |
770 |
20-33 |
770 |
20-39 |
| 700 |
165 |
480 |
165 |
478 |
1844 |
840 |
24-30 |
840 |
24-36 |
875 |
24-42 |
| 800 |
190 |
530 |
190 |
525 |
2040 |
950 |
24-33 |
950 |
24-39 |
990 |
24-48 |
| 900 |
203 |
580 |
203 |
585 |
2255 |
1050 |
28-33 |
1050 |
28-39 |
1090 |
28-48 |
| 1000 |
216 |
650 |
216 |
640 |
2380 |
1160 |
28-36 |
1170 |
28-42 |
1210 |
28-56 |
| 1200 |
254 |
760 |
254 |
755 |
2640 |
1380 |
32-39 |
1390 |
32-48 |
1420 |
32-56 |